Магазин запчастей для бытовой техники - Arlos
Москва
close
Выберите ваш регион
АбаканАлександровАльметьевскАнгарскАрзамасАрмавирАртемАрхангельскАстраханьАчинскБалаковоБалашихаБеларусьБелгородБердскБерезникиБийскБлаговещенскБратскБрянскВеликий НовгородВидноеВладивостокВладикавказВладимирВолгоградВолгодонскВолжскийВологдаВолховВоркутаВоронежВоскресенскВыборгГатчинаГеленджикГрозныйДедовскДербентДзержинскДзержинскийДимитровградДмитровДолгопрудныйДомодедовоДонецкЕвпаторияЕгорьевскЕкатеринбургЕлецЕссентукиЖелезногорскЖелезнодорожныйЖуковскийЗеленоградЗлатоустИвановоИвантеевкаИжевскИркутскИстраЙошкар-ОлаКазаньКалининградКалугаКаменск-УральскийКамышинКаспийскКемеровоКерчьКировКисловодскКлинКовровКоломнаКомсомольск-на-АмуреКопейскКоролёвКостромаКотельникиКрасногорскКраснодарКраснознаменскКрасноярскКурганКурскКызылЛенинск-КузнецкийЛипецкЛобняЛыткариноЛюберцыМагнитогорскМайкопМалаховкаМахачкалаМиассМоскваМурманскМуромМытищиНабережные ЧелныНазраньНальчикНаро-ФоминскНахабиноНаходкаНевинномысскНефтекамскНефтеюганскНижневартовскНижнекамскНижний НовгородНижний ТагилНовокузнецкНовокуйбышевскНовомосковскНовороссийскНовосибирскНовоуральскНовочебоксарскНовочеркасскНовошахтинскНовый УренгойНогинскНорильскНоябрьскОбнинскОдинцовоОктябрьскийОмскОрелОренбургОрехово-ЗуевоОрскПавловский ПосадПензаПервоуральскПермьПетрозаводскПетропавловск-КамчатскийПодольскПрокопьевскПсковПушкиноПятигорскРаменскоеРеутовРостов-на-ДонуРубцовскРыбинскРязаньСакиСалаватСамараСанкт-ПетербургСаранскСаратовСевастопольСеверодвинскСеверскСергиев ПосадСерпуховСимферопольСмоленскСосновый БорСочиСтавропольСтарый ОсколСтерлитамакСтупиноСургутСызраньСыктывкарТаганрогТамбовТверьТихвинТольяттиТомилиноТомскТроицкТулаТюменьУлан-УдэУльяновскУссурийскУсть-ИлимскУфаУхтаФеодосияФрязиноХабаровскХанты-МансийскХасавюртХимкиЧебоксарыЧелябинскЧереповецЧеркесскЧеховЧитаШахтыЩелковоЭлектростальЭлистаЭнгельсЮжно-СахалинскЯкутскЯлтаЯрославль
  • - бесплатно по РФ
    Автоперезвон. Работает по принципу: Вы позвонили на номер, мы сбрасываем звонок и перезваниваем через 3 секунды.
  • - по Москве
  • 8 (925) 663-83-63

Call-центр

пн-вс: 10:00-19:00

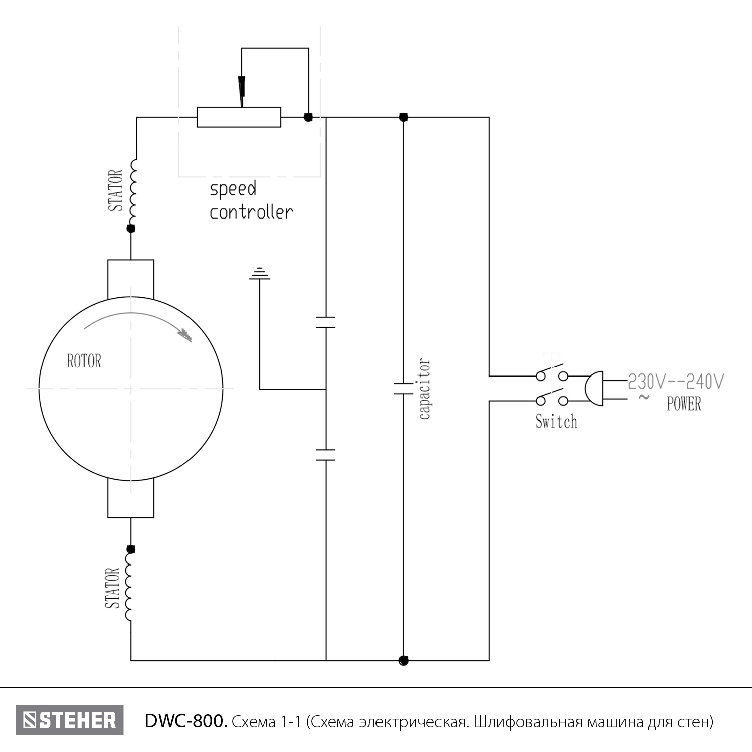
Шлифовальная машина для стен (жираф) DWC-800

Данная модель имеет несколько схем

NАртикулНазваниеСрок отгрузкиЦенаКупить
L1.L9 N000-040-594 Модуль подсветки LED в корпусе #
T10 U009-600-0RS Подшипник шариковый 6000-2RS (26х10х8) U009-600-0RS для пил ПД-55, ПЦ-2240 306 р.
1.09 U009-607-RS0 Подшипник шариковый 607 RS (19х7х6) U009-607-RS0 для болгарок УШМ-П125-850, AGS-125-1000 286 р.
2-10 N000-040-584 Корпус тарелки треугольной
2-12 N000-040-585 Вставка кожуха
2-13 N000-040-586 Фланец подшипника
2-14 N000-040-587 Кольцо уплотнительное D26хd1.9
2-15 N000-040-588 Вал выходной
2-16 N000-040-589 Противовес
2-17 N000-040-590 Корпус подшипника
2-18 N000-040-591 Шестерня большая
2-2 N000-040-578 Бумага треугольная
2-3 N000-040-579 Платформа треугольная
2-6 N000-040-580 Крышка редуктора нижняя2
2-7 N000-040-581 Вал промежуточный
2-8 N000-040-582 Крышка редуктора верхняя2
2-9 N000-040-583 Проставка антивибрационная
3 N000-040-516 Платформа круглая
4 N000-040-517 Прокладка фетровая
5 N000-040-518 Щетка кольцевая нейлон
6 N000-040-519 Пружина
7 N000-040-520 Корпус тарелки
8 N000-040-521 Вал выходной
9 N000-040-522 Сальник D25хd18.5х3
10 N000-028-706 Подшипник шариковый 6001-2RS (28x12х8) CGXY 202 р.
11 N000-040-523 Кольцо стопорное D12
12 N000-040-524 Кольцо стопорное D28
13 U261-122-013 Шарик стальной D3 84 р.
14 N000-040-525 Шестерня большая
15 N000-040-526 Крышка редуктора нижняя1
16 U010-050-909 Подшипник игольчатый HK0509 (9x5x9) 132 р.
17 N000-040-527 Кольцо стопорное D9
17 U207-710-048 Шарик стальной D2.5 U207-710-048 для ЗР-750-82, ЗДА-18-Ли-КН 84 р.
18 N000-040-528 Вал промежуточный
21 N000-040-529 Крышка редуктора верхняя1
26 N000-040-530 Фиксатор в сборе (левая и правая часть)
28 N000-040-531 Пружина кручения
29 N000-040-532 Блок соединительный
30 N000-040-533 Крышка редуктора
31 N000-040-534 Кронштейн основания
33 N000-040-535 Рычаг наклона
34 N000-040-536 Втулка
35 N000-040-537 Шайба D16хd8х1
37 N000-040-538 Шпиндель
39 N000-040-539 Шестерня ведомая
40 N000-040-540 Кольцо стопорное D10
41 N000-007-443 Подшипник игольчатый HK0808 (12х8х8) DIW 238 р.
42 N000-040-541 Корпус редуктора
44 UM05-001-001 Гайка M5 (автогровер) 92 р.
45 N000-040-542 Шестерня коническая ведущая
46 U206-210-042 Подшипник шариковый 629-2RS (26х9х8) Outdo 383 р.
47 N000-040-543 Ротор КДС
49 N000-040-544 Щиток воздушный
51 N000-040-545 Прокладка изолирующая
52 N000-029-085 Втулка подшипника 607 резиновая 153 р.
53 N000-040-546 Статор КДС
54 N000-040-547 Корпус двигателя
55 N000-040-548 Щетка графитовая (пара) 5х8х16
57 N000-040-549 Пружина щеткодержателя (пара)
58 N000-040-550 Щеткодержатель (пара)
60 N000-040-551 Крышка декоративная
63 N000-040-552 Крышка корпуса двигателя
66 N000-040-553 Рукоятка средняя в сборе (левая и правая часть)
67 N000-040-554 Гайка соединительная возлуховода
68 N000-040-555 Рукоятка верхняя в сборе (левая и правая часть)
69 N000-040-556 Кольцо уплотнительное D25.8х1.8
71 V000-006-408 Шнур сетевой H05VV-F PVC 2х0.75мм2 5м
74 N000-040-557 Труба малая Al L550
75 N000-040-558 Проставка уплотнительная
76 N000-040-559 Штифт D2.5х16
77 N000-040-560 Кнопка выключателя
78 N000-040-561 Тяга выключателя
79 V000-003-513 Выключатель FADE FA6-6/2W3 6(6)A 250V
82 V000-004-635 Блок электронный регулятор оборотов
86 N000-040-562 Труба большая Al L413
87 N000-040-563 Переходник муфты задней
88 N000-040-564 Штифт D5х25
89 N000-040-565 Фиксатор соединителя
90 N000-040-566 Штифт D5х15
91 N000-040-567 Зацеп
92 N000-040-568 Муфта задняя
94 N000-040-569 Кольцо уплотнительное D36хd3.1
95 N000-040-570 Штифт D5х45
96 N000-040-571 Муфта передняя
97 N000-040-572 Переходник муфты передней
98 N000-040-573 Труба большая Al L173
99 N000-040-574 Вставка пылезащитная
100.101 N000-040-575 Рычаг нижний в сборе (левая и правая часть)
103 N000-040-576 Шланг 410мм
105 N000-040-577 Гайка M6 специальная
106 N000-040-600 Шланг пылеотвода
107 N000-040-601 Адаптер к пылесосу
110 N000-040-603 Отвертка
111 N000-040-604 Бумага шлифовальная
Найдено товаров: 94
1
▲ Наверх
0
8 (925) 663-83-63

Call-центр

пн-вс: 10:00-19:00

НАЙТИ ПО МОДЕЛИ
Введите номер заказа
Введите номер своего заказа, что бы узнать его текущий статус.
Что бы получить доступ к расширенным функциям, пройдите не сложную регистрацию. Зарегистрироваться