Магазин запчастей для бытовой техники - Arlos
Москва
close
Выберите ваш регион
АбаканАлександровАльметьевскАнгарскАрзамасАрмавирАртемАрхангельскАстраханьАчинскБалаковоБалашихаБеларусьБелгородБердскБерезникиБийскБлаговещенскБратскБрянскВеликий НовгородВидноеВладивостокВладикавказВладимирВолгоградВолгодонскВолжскийВологдаВолховВоркутаВоронежВоскресенскВыборгГатчинаГеленджикГрозныйДедовскДербентДзержинскДзержинскийДимитровградДмитровДолгопрудныйДомодедовоДонецкЕвпаторияЕгорьевскЕкатеринбургЕлецЕссентукиЖелезногорскЖелезнодорожныйЖуковскийЗеленоградЗлатоустИвановоИвантеевкаИжевскИркутскИстраЙошкар-ОлаКазаньКалининградКалугаКаменск-УральскийКамышинКаспийскКемеровоКерчьКировКисловодскКлинКовровКоломнаКомсомольск-на-АмуреКопейскКоролёвКостромаКотельникиКрасногорскКраснодарКраснознаменскКрасноярскКурганКурскКызылЛенинск-КузнецкийЛипецкЛобняЛыткариноЛюберцыМагнитогорскМайкопМалаховкаМахачкалаМиассМоскваМурманскМуромМытищиНабережные ЧелныНазраньНальчикНаро-ФоминскНахабиноНаходкаНевинномысскНефтекамскНефтеюганскНижневартовскНижнекамскНижний НовгородНижний ТагилНовокузнецкНовокуйбышевскНовомосковскНовороссийскНовосибирскНовоуральскНовочебоксарскНовочеркасскНовошахтинскНовый УренгойНогинскНорильскНоябрьскОбнинскОдинцовоОктябрьскийОмскОрелОренбургОрехово-ЗуевоОрскПавловский ПосадПензаПервоуральскПермьПетрозаводскПетропавловск-КамчатскийПодольскПрокопьевскПсковПушкиноПятигорскРаменскоеРеутовРостов-на-ДонуРубцовскРыбинскРязаньСакиСалаватСамараСанкт-ПетербургСаранскСаратовСевастопольСеверодвинскСеверскСергиев ПосадСерпуховСимферопольСмоленскСосновый БорСочиСтавропольСтарый ОсколСтерлитамакСтупиноСургутСызраньСыктывкарТаганрогТамбовТверьТихвинТольяттиТомилиноТомскТроицкТулаТюменьУлан-УдэУльяновскУссурийскУсть-ИлимскУфаУхтаФеодосияФрязиноХабаровскХанты-МансийскХасавюртХимкиЧебоксарыЧелябинскЧереповецЧеркесскЧеховЧитаШахтыЩелковоЭлектростальЭлистаЭнгельсЮжно-СахалинскЯкутскЯлтаЯрославль
  • - бесплатно по РФ
    Автоперезвон. Работает по принципу: Вы позвонили на номер, мы сбрасываем звонок и перезваниваем через 3 секунды.
  • - по Москве
  • 8 (925) 663-83-63

Call-центр

пн-вс: 10:00-19:00

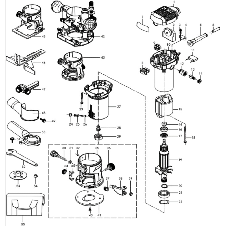
Фрезер кромочный ФПК-750Н

Данная модель имеет несколько схем

NАртикулНазваниеСрок отгрузкиЦенаКупить
1 N000-030-912 Крышка верхняя
2 V000-004-433 Регулятор оборотов 1.410 р.
3.04 U009-600-3RS Подшипник шариковый 6003-2RS (35х17х10) U009-600-3RS для насосов НСВ-75-70, НСЦ-75-40 189 р.
6 U099-004-005 Шнур сетевой резиновый 2х0.75мм 2м 189 р.
8 V000-003-427 Выключатель FB6-6/1 6(6)A, 250V~ 5E4 174 р.
10 U009-627-RS0 Подшипник шариковый 627 (22х7х7) U009-627-RS0 для ЗШ-1500, ДУ-550 ЭР, ФПК-750 92 р.
10 N000-030-913 Корпус статора 383 р.
12 N000-030-914 Щеткодержатель 121 р.
13 N000-030-915 Щетка графитовая (пара) 6х9х12 383 р.
14 N000-030-916 Крышка щеткодержателя 54 р.
15 N000-030-917 Статор КД 1.165 р.
17 N000-030-918 Пыльник подшипника 54 р.
19 N000-030-919 Ротор КД V1 1.404 р.
19 N000-030-919-3 Ротор КД V3 3.266 р.
22 N000-030-920 Втулка подшипника 6003 54 р.
24 N000-030-921 Кнопка стопора 209 р.
25 N000-030-922 Пружина стопора 124 р.
26 N000-030-923 Стопор 54 р.
27 N000-030-924 Корпус двигателя 728 р.
28 N000-030-925 Цанга D6 132 р.
29 N000-030-926 Гайка патрона 228 р.
30 N000-030-927 Винт-барашек регулировочный
32 N000-030-929 Штифт d4xh4
33 N000-030-930 Шестерня подъемного механизма 83 р.
34 N000-030-931 Кронштейн
35 N000-030-932 Основание 974 р.
35C N000-039-718 Подошва кромочная круглая для фрезера в сборе EV(30-41) 1.556 р.
36 N000-030-933 Винт-барашек
38 N000-030-934 Рычаг фиксации 180 р.
40 N000-013-843 Винт M4x10
41 N000-030-936 Пластина основания 189 р.
42 N000-042-100 Основание погружное
43 N000-042-101 Основание фрезеровочное
44 N000-042-564 Кольцо магнитное V1
44 N000-042-094 Кольцо магнитное V2 227 р.
45 N000-042-102 Основание наклонное
46 N000-042-095 Упор параллельный
47 N000-042-096 Направляющая роликовая
48 N000-042-097 Крышка прозрачная
49 N000-042-098 Винт крышки прозрачной
50 N000-042-103 Патрубок для пылесоса
51 N000-042-104 Винт специальный
52 N000-042-099 Ключ
53 N000-042-105 Кольцо копировальное
54 N000-030-966 Цанга D8 121 р.
55 N000-042-106 Сумка
Найдено товаров: 46
1
▲ Наверх
0
8 (925) 663-83-63

Call-центр

пн-вс: 10:00-19:00

НАЙТИ ПО МОДЕЛИ
Введите номер заказа
Введите номер своего заказа, что бы узнать его текущий статус.
Что бы получить доступ к расширенным функциям, пройдите не сложную регистрацию. Зарегистрироваться